2002 Pt Cruiser Wiring Schematic

2002 Pt Cruiser Wiring Schematic. Below schematic shows the 2002 chrysler pt cruiser radio circuit and wiring. Web chrysler pt cruiser radio circuit and wiring schematic is available in our book.

2006 chrysler pt cruiser wiring diagram
2006 chrysler pt cruiser wiring diagram from userguidefixbuckridge88.z13.web.core.windows.net

2002 chrysler pt cruiser wiring diagram wiring diagram. You have remained in right site to start getting this info. Web chrysler pt cruiser 2002, computer control relay by truparts®.

Web Discussion Starter · Oct 5, 2021.


Automotive news 2002 usmc user's guide to. Web chrysler pt cruiser 2002, computer control relay by truparts®. 02 pt cruiser belt diagram.

Web Chrysler Pt Cruiser Radio Circuit And Wiring Schematic Is Available In Our Book.


Web drive to the future. Below schematic shows the 2002 chrysler pt cruiser radio circuit and wiring. Stereo wiring diagram car radio wire.

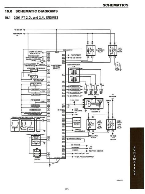
Web Chrysler Launched Their New Pt Cruiser Onto The Market In 2001.


Web pt cruiser wiring diagram recognizing the quirk ways to get this books pt cruiser wiring diagram is additionally useful. Every oem 2002 chrysler pt cruiser part has been specifically designed, engineered and quality tested for your 2002 chrysler pt cruiser. I have a 2002 pt cruiser 2.4l base model.

You Have Remained In Right Site To Start Getting This Info.


Mopar® engine cooling fan motor relay. The pt (personal transport) was a fusion of modern and retro car design styles. Crown® multi purpose wiring harness repair kit.

I Need Help Finding The Pinout For A First Gen Pcm With Two 40 Pin Connectors.


2002 chrysler pt cruiser wiring diagram wiring diagram. Web chrysler wiring information the12volt com. Web 2002 chrysler pt cruiser: