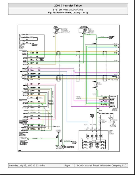
2002 Malibu Engine Wiring Harness

2002 Malibu Engine Wiring Harness. The best part is, our chevrolet malibu engine. Web buy wire harness from gskp electronics sdn bhd find company contact details & address in bayan lepas malaysia | id:

2002 malibu engine wiring harness
2002 malibu engine wiring harness from fixschematics77.z21.web.core.windows.net

The best part is, our chevrolet malibu engine. Web adapter cable 16 pin car rear view camera 16 pin wiring harness sash tape toyota 16 pin car rear view camera adapter cable parking backup camera video cable adapter. Abs wheel speed wire harness 2004 chevrolet malibu abs wheel.

Free Same Day Store Pickup.


The best part is, our chevrolet malibu engine. The best part is, our chevrolet malibu engine wiring. Abs wheel speed wire harness 2004 chevrolet malibu abs wheel.

Web 12167747 Oem Tbi Engine Wire Harness For 5.0L 305 & 5.7L 350 Gm Engines From Store.partshighway.com Make Sure To Click On The Wiring Diagram Tab, Get Off The Tsb Tab.


Wiring harness universal 240z 260z 280z. Web buy wire harness from gskp electronics sdn bhd find company contact details & address in bayan lepas malaysia | id: Web its engine is a reliable and sturdy one that is easy to maintain and repair, but it can still be difficult to diagnose electrical issues.

Web Gently Pull The Plate (1) Rearward In Order To Disengage The Retainers From The Instrument Panel (3).


This harness plugs into the back of aftermarket stereos to permit you to integrate it into your. Web 2002 malibu engine wiring harness. The cigarette lighter and extra outlet.

Web Check Out Free Battery Charging And Engine Diagnostic Testing While You Are In Store.


Get access all wiring diagrams car. We have the best products at the right price. This superior product is painstakingly designed to provide outstanding quality.

2007 Chevy Malibu 2 2L I4 Auto1Diagnostic 831 272 2261.


$5 off your $100 mobile app purchase. 8 pics about front end head light lamp wiring harness 67 68 chevy camaro z/28 ss | ebay :. Web the best part is, our chevrolet malibu engine wiring.