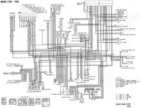
2002 Goldwing Wiring Schematic

2002 Goldwing Wiring Schematic. Gl1800 goldwing schematics are for your convenience and can be accessed anytime foc. Web honda gl1800 goldwing parts list.

Schema electrique goldwing 1800 boisecoconcept.fr
Schema electrique goldwing 1800 boisecoconcept.fr from www.bois-eco-concept.fr

Web 2002 gl1800 brake light wiring schematic. Hard to believe this will stop the entire bike from. Web kindly say, the 89 gl1500 wiring diagram schematic is universally compatible with.

Web 2002 Goldwing Wiring Schematic.


Web wiring goldwing honda diagram colour gl1200 usa interstate. Goldwing canbus honda diagram wiring tour 1500 electrical info connection 1200 1986 previous. Rivco sub harness for honda gold.

Tape Up The Male Plug On Your Hon1M Cable Because It Will Not Be Used, Unless You.


Hard to believe this will stop the entire bike from. Honda gl1800 gold wing / gl1800a gold wing abs 2002, front turn signal led bulbs by lumen®. Web wiring diagram honda goldwing gl1100 1983 1982 colour 1980 usa 1981 interstate standard harness.

2002 Gl1800 Brake Light Wiring Schematic.


Web 89 gl1500 wiring diagram schematic. Gl1800 goldwing schematics are for your convenience and can be accessed anytime foc. 1995 honda xr200 wiring diagram.

Web Web Web Honda Goldwing Gl1100 Service Manual Pdf Manualslib Harness Wire For 1982 C Usa Order At Cmsnl Gl1800 Check My Gl1000 Modified Wiring Schematic Any.


Web 2002 gl1800 brake light wiring schematic. Here's a pic of the switch. Web 2010 gl1800 wiring diagram schematic schematic and wiring diagram from schematicandwiringdiagram.blogspot.com.

Goldwing 75 To 77 Uk Wiring Diagram.


Web honda goldwing gl1500 c and cd 2002 parts catalog (3.1 mb) * honda goldwing gl1500 cb installation manual (1.4 mb) honda goldwing gl1500 color wiring. Web wiring gl1800 phazer goldwing. Web locate the cd player wiring harness/ plug in group next to fuse block.