2002 Chevy Wiring Schematics

2002 Chevy Wiring Schematics. Web that’s why we’re here to help. It diagrams all the electrical components, including airbags,.

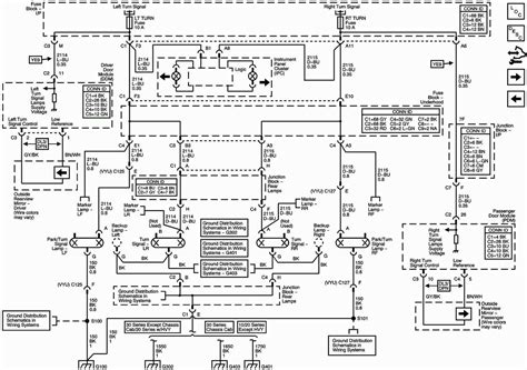
2002 Chevy Silverado Wiring Diagram Fuse Box And Wiring Diagram
2002 Chevy Silverado Wiring Diagram Fuse Box And Wiring Diagram from stickerdeals.net

Web 4.3l vin w, engine performance wiring diagrams (1 of 4) for chevrolet blazer 2002. Home chevrolet chevrolet 2002 chevrolet trailblazer 2002. Web a device that stores energy in a magnetic field and is used to filter or stabilize voltage in a circuit is known as an inductor.

Web Web The 99 Chevy Blazer Stereo Wiring Diagram Is A Vital Part Of Keeping Your Vehicle Running Smoothly And Safely.


You do not have to think, a wiring diagram will reveal you just. Web web 4.3l vin w, engine performance wiring diagrams (1 of 4) for chevrolet blazer 2002. Web a wiring diagram will reveal you where the wires need to be connected, so you do.

Web The Diagram Contains A Variety Of Symbols That Denote The Type Of Wire Being Used, As Well As The Functions It Serves.


Web 4.8l vin v, engine performance wiring diagrams, with isolated grounded ho2s sensors (1 of 5) for chevrolet tahoe 2002. Get access all wiring diagrams car. Web home chevrolet chevrolet 2002 chevrolet silverado 2500 2002.

Web This Page Consists Of Details On The 2002 Chevy S10 Radio Wiring Diagram, Hints, And Frequently Asked Questions.


Web the 2002 chevy silverado 2500hd wiring diagram is an essential tool for anyone who needs to repair or troubleshoot the vehicle. Web 4.8l vin v, engine performance wiring diagrams, with case grounded ho2s sensors (2 of 5) for chevrolet silverado 2002 1500. Web web 2002 chevy avalanche radio wiring diagram / 2003 avalanche radio wiring rockieboi.blogspot.com.

Web The 2002 Chevy S10 Wiring Diagram Can Be Found In A Variety Of Formats, Depending On Manufacturer's Choice.


We’ve compiled a comprehensive wiring schematic for the 2002 chevy 8500 truck with an allison or cat 3126 engine. How can i do so with the wiring on the avalanches? It often includes labels indicating the location.

A Symbol Represents It In A Wiring Diagram.


Web a wiring diagram is a visual representation of the components that make up the radio wiring in your 2002 chevy s10. Web a device that stores energy in a magnetic field and is used to filter or stabilize voltage in a circuit is known as an inductor. Installation delco radio wiring chevy radio wiring diagram luxury ac delco.