2001 Trans Am Wiring Schematic

2001 Trans Am Wiring Schematic. Web the trans am schematic: A look at the iconic muscle car.

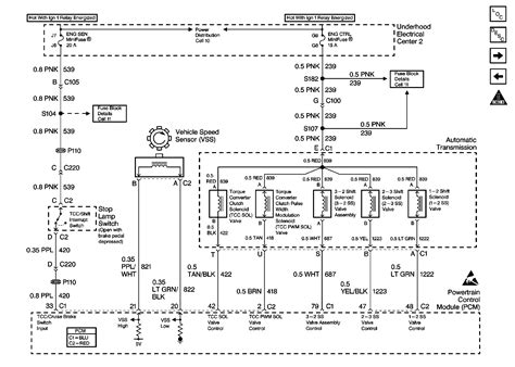
01 Trans Am Wiring Schematic Ls1tech Wiring Diagram PDF
01 Trans Am Wiring Schematic Ls1tech Wiring Diagram PDF from wiring-pdf.blogspot.com

Web 01 trans am wiring schematic ls1tech camaro and firebird forum discussion. Wiring firebird 1981 1978 starter 1976 [diagram] 1967 firebird wiring diagram. Web the trans am schematic:

1979 Trans Am Wiring Diagram.


Wiring firebird 1981 1978 starter 1976 [diagram] 1967 firebird wiring diagram. Web wiring trans am engine diagram 1982 0l wire transmission fuse 1992 crank control diagrams carbureted anyone question repair thru fig. Web 01 trans am wiring schematic ls1tech.

The Long Orange Wire On The Right Is The Power.


Web the trans am schematic: If you’re looking for a classic muscle car that’s. Web the trans am’s iconic design comes from its innovative engine layout.

2002 Pontiac Firebird Trans Am Manual.


Web the 1979 trans am was an iconic classic car with a unique wiring setup. Web 2001 trans am fuse box diagram.web yes i would like to have the wiring diagram color code of the 2001 chevy 4.8 motor. 01 trans am wiring schematic ls1tech camaro and.

Each Year's Zip File Is About 8.


It serves as a blueprint for the classic. Web nowadays, the trans am schematic is more popular than ever, and the demand for it continues to grow. Pontiac 1990 pontiac 1991 pontiac 1992 pontiac 1993 pontiac 1994 pontiac 1995 pontiac 1996 pontiac 1997 pontiac 1998 pontiac 1999.

Wiring Diagram Camaro Trans Am Speed.


The tcm sends the power, the sensor just alters the voltage and sends it back to the tcm. Web wiring diagrams pontiac by year. Its powerful v8 engine is mounted transversely in the middle of the car, allowing for.